Drawings

System drawings

VELFAC Classic wood is a wood window with external aluminium cill glazing beads, surface-treated in the sash colour.
Frames, mullions and panels, VELFAC Classic wood windows and casement doors
Windows, casement and patio doors
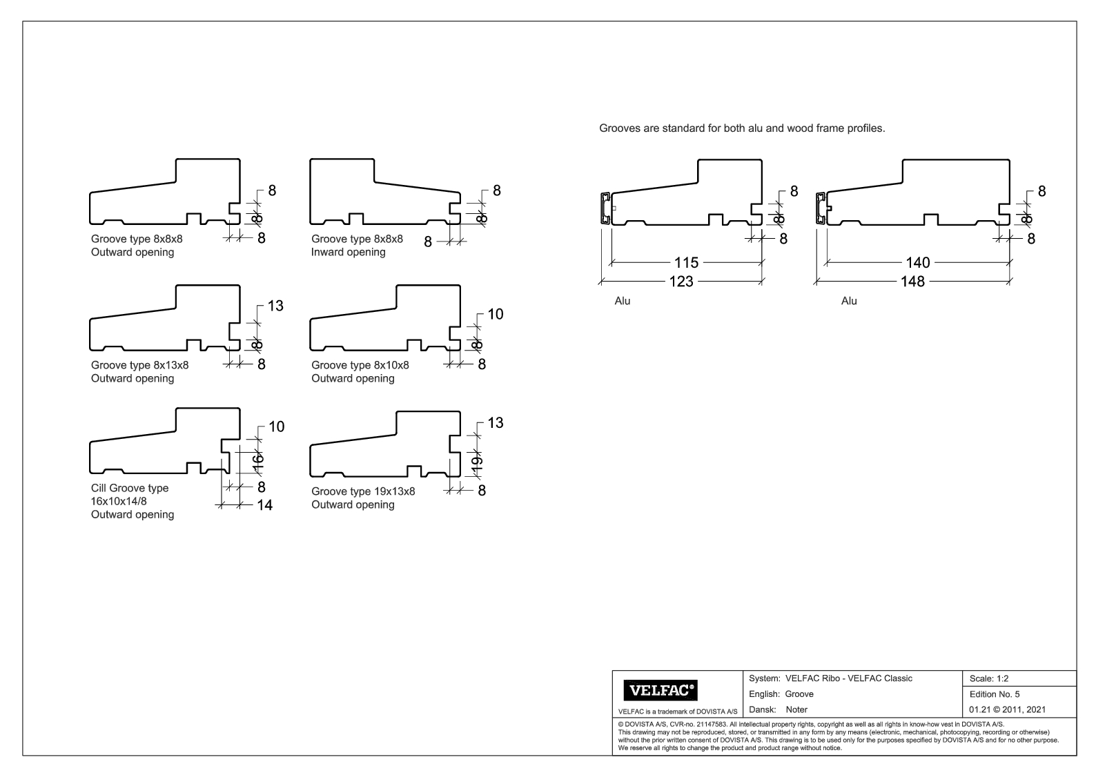
Grooves for VELFAC Ribo
Grooves, rebates and packers
Corner solutions for VELFAC Classic wood
Corner solutions overview
Fixed mullion in configuration with 4 sashes
See pictures of how mullions and transoms are coupled

Coupling details

Coupling details, VELFAC Classic  wood with VELFAC Classic  wood
VELFAC Classic wood windows - VELFAC Classic wood windows
Coupling details, VELFAC Classic wood - VELFAC Classic wood entrance doors
VELFAC Classic wood windows - VELFAC Classic wood entrance doors

VELFAC Classic windows, Commercial structural interface drawings

The structural interface drawings feature VELFAC Ribo wood/aluminium, but VELFAC Classic wood/aluminium and VELFAC Classic wood are installed according to the same methods.
Timber Cladding - Block Masonry - Head
Timber as outer skin of structure
Brick - Block Masonry - Head
Brick as outer skin of structure
Insulated Render - Block Masonry - Head
Insulated Render as outer skin of structure
Rendered Block - Block Masonry - Head
Rendered Block as outer skin of structure

VELFAC Classic windows, Structural Interface drawings, Housebuilder projects

The structural interface drawings feature VELFAC Ribo wood/aluminium, but VELFAC Classic wood/aluminium and VELFAC Classic wood are installed according to the same methods.
Timber Cladding - Block Masonry - Head
Timber as outer skin of structure
Brick - Block Masonry - Head
Brick as outer skin of structure
Insulated Render - Block Masonry - Head
Insulated Render as outer skin of structure
Rendered Block - Block Masonry - Head
Rendered Block as outer skin of structure